Именно, так как выбросы от него уже учтены в фоновых концентрациях.Motya87 писал(а): Или они просто в конце вывели такое заключение, что все же не нужно включать в ПДВ автотранспорт не числящийся на балансе предприятия?
Инвентаризация выбросов
Модераторы: Ecolog-Julia, Kotucheny, Лёха, masm0
- 
				Nemo13
   
- Заслуженный эколог
- Сообщения: 313
- Зарегистрирован: 31 май 2010, 20:11
- Награды: 1
- Откуда: Кострома
- Благодарил (а): 10 раз
- Поблагодарили: 53 раза
Re: Инвентаризация источников выброса в атмосферу
Столетний шут схватил за плечи внука:
"Запомни, плут, что жизнь - смешная штука!
Когда тебя беда в потоке дней найдет,
Засмейся ты тогда и все пройдет!"
гр. "Король и Шут"
			
						"Запомни, плут, что жизнь - смешная штука!
Когда тебя беда в потоке дней найдет,
Засмейся ты тогда и все пройдет!"
гр. "Король и Шут"
- 
				Motya87
 
- Эколог
- Сообщения: 168
- Зарегистрирован: 25 янв 2011, 08:23
- Откуда: Томск
- Благодарил (а): 55 раз
- Поблагодарили: 5 раз
Re: Инвентаризация источников выброса в атмосферу
Nemo13, и еще не учитывается автотранспорт, который числится на балансе ,но стоит на автостоянке, а не в гараже?
			
			
									
						- 
				Nemo13
   
- Заслуженный эколог
- Сообщения: 313
- Зарегистрирован: 31 май 2010, 20:11
- Награды: 1
- Откуда: Кострома
- Благодарил (а): 10 раз
- Поблагодарили: 53 раза
Re: Инвентаризация источников выброса в атмосферу
Цитирую: "Таким образом, если на территории предприятий хранятся (на стоянках) или работают передвижные источники выбросов, то максимальные разовые выбросы от них должны учитываться при разработке проекта нормативов ПДВ предприятия."
И далее: "С учётом этого, при оценке загрязнения атмосферного воздуха передвижными средствами, в качестве источника выбросов рассматривается не отдельное средство, а их совокупность в пределах определённой территории (объекта). При этом устанавливается допустимость выбросов на данной территории (стоянка, проезд и т.д.) от суммы конкретных видов передвижных средств в зависимости от их количества, режима работы двигателей и одновременности их работы."
Комментарии думаю излишни.
			
			
									
						И далее: "С учётом этого, при оценке загрязнения атмосферного воздуха передвижными средствами, в качестве источника выбросов рассматривается не отдельное средство, а их совокупность в пределах определённой территории (объекта). При этом устанавливается допустимость выбросов на данной территории (стоянка, проезд и т.д.) от суммы конкретных видов передвижных средств в зависимости от их количества, режима работы двигателей и одновременности их работы."
Комментарии думаю излишни.
Столетний шут схватил за плечи внука:
"Запомни, плут, что жизнь - смешная штука!
Когда тебя беда в потоке дней найдет,
Засмейся ты тогда и все пройдет!"
гр. "Король и Шут"
			
						"Запомни, плут, что жизнь - смешная штука!
Когда тебя беда в потоке дней найдет,
Засмейся ты тогда и все пройдет!"
гр. "Король и Шут"
- 
				eko-ksv
     
- Заслуженный эколог
- Сообщения: 1725
- Зарегистрирован: 24 фев 2007, 15:35
- Награды: 3
- Откуда: Ростов-на-Дону
- Благодарил (а): 345 раз
- Поблагодарили: 557 раз
Re: Инвентаризация источников выброса в атмосферу
Наверное имелась ввиду автостоянка за пределами производственной территории. А так конечно, собственный автотранспорт надо учитывать, не зависимо где он стоит - в гараже или на открытой площадке.Motya87 писал(а):Nemo13, и еще не учитывается автотранспорт, который числится на балансе ,но стоит на автостоянке, а не в гараже?
- 
				lavanda
 
- Эколог
- Сообщения: 387
- Зарегистрирован: 23 мар 2009, 14:03
- Откуда: Тольятти
- Благодарил (а): 40 раз
- Поблагодарили: 39 раз
Re: Инвентаризация источников выброса в атмосферу
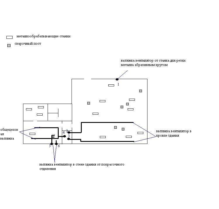
Здравствуйте. Очень нужен совет в определении источников выброса. Имеется цех, где в одном корпусе проводятся сварочные работы и металлообработка. Над частью цеха проходят две вытяжки и выбросы осуществляются в 2 венттрубы, расположенные недалеко друг от друга (№ 2и 3)В соседнем корпусе осуществляется окраска деталей, также имеется несколько металлообрабатывающих станков (правда ими почти не пользуются). Здесь имеется общецеховая вентиляция + вытяжка над покрасочном участком. Не могу определиться или у меня 6 источников выброса, тогда как делить выбросы (сколько ЗВ будет выделяться из вентруб)? Или же № 2 и3 ; № 5 и 6 можно объединить как один источник? И что тогдабудет выбрасываться из 4-го: работа от металлобрабатывающих станков+лакокраска (это же в одном корпусе); а из 1-го только выбросы от резки металла абр.кругом или же + остальные станки и сварка (здесь же тоже все в одном здании)??
Для наглядности прикрепила схему. Пожалуйста подскажите.
			
							
			
									
						Для наглядности прикрепила схему. Пожалуйста подскажите.
- 
				lavanda
 
- Эколог
- Сообщения: 387
- Зарегистрирован: 23 мар 2009, 14:03
- Откуда: Тольятти
- Благодарил (а): 40 раз
- Поблагодарили: 39 раз
Re: Инвентаризация источников выброса в атмосферу
В одном цехе проводятся окрасочные работы и работа на металлообрабатывающих станках. Окрасочный участок оборудован локальной вытяжкой. Сушка осуществляется в этом же цехе, естественная. Кроме того сам цех имеет общецеховую вентиляци. Можно ли в данном случаи выделить 2 источника:
1 ист- выбросы от проведения окрасочных работ, осуществляемые через венттрубу локальной ветиляции
2 ист- выбросы осуществляемые через общецеховую вентиляцию от металлообрабатывающих станков + выбросы от сушки окрашенных поверхностей (без учета выбросов проведения окрасочных работ)??
			
			
									
						1 ист- выбросы от проведения окрасочных работ, осуществляемые через венттрубу локальной ветиляции
2 ист- выбросы осуществляемые через общецеховую вентиляцию от металлообрабатывающих станков + выбросы от сушки окрашенных поверхностей (без учета выбросов проведения окрасочных работ)??
- 
				Масальская Ирина
 
- Новичок
- Сообщения: 3
- Зарегистрирован: 12 авг 2013, 10:29
Re: Инвентаризация источников выброса в атмосферу
Добрый день! Согласно каким документам надо включать в инвентаризацию выбросов вредных веществ в атмосферный воздух иловые карты и шламонакопитель?
			
			
									
						- 
				Потапова Юлия
 
- Эколог
- Сообщения: 251
- Зарегистрирован: 16 май 2013, 19:38
- Благодарил (а): 75 раз
- Поблагодарили: 38 раз
Re: Инвентаризация источников выброса в атмосферу
Вы имеете в виду по каким методкам их рассчитывать?
			
			
									
						- 
				
Wespe
       
- Заслуженный эколог
- Сообщения: 3629
- Зарегистрирован: 09 апр 2010, 19:01
- Награды: 6
- Откуда: Каракас
- Благодарил (а): 692 раза
- Поблагодарили: 717 раз
Re: Инвентаризация источников выброса в атмосферу
Ну для начала ... согласно ФЗ "Об охране атмосферного воздуха" статья 22 ...Масальская Ирина писал(а):Добрый день! Согласно каким документам надо включать в инвентаризацию выбросов вредных веществ в атмосферный воздух иловые карты и шламонакопитель?

"Трудно стало работать. Развелось много идиотов, говорящих правильные слова." (с)
			
						- 
				bvn
   
- Заслуженный эколог
- Сообщения: 806
- Зарегистрирован: 23 мар 2010, 10:56
- Награды: 2
- Откуда: Кострома
- Благодарил (а): 386 раз
- Поблагодарили: 116 раз
- Контактная информация:
Re: Инвентаризация источников выброса в атмосферу
Так можно про любой источник спросить [wink22]Масальская Ирина писал(а):Добрый день! Согласно каким документам надо включать в инвентаризацию выбросов вредных веществ в атмосферный воздух иловые карты и шламонакопитель?
Под грузом человек становится сильней.
Проверяю контрагентов в Контур-Фокусе.
			
						Проверяю контрагентов в Контур-Фокусе.
- 
					- Похожие темы
- Ответы
- Просмотры
- Последнее сообщение
 
- 
						
- 12 Ответы
- 4043 Просмотры
- 
								Последнее сообщение  lika milay																			
											
										
																		
 
 
- 
						
- 0 Ответы
- 3478 Просмотры
- 
								Последнее сообщение  Вадим Зыков																			
											
										
																		
 
 
- 
						
- 0 Ответы
- 2518 Просмотры
- 
								Последнее сообщение  Кирилл Честнов																			
											
										
																		
 
 
- 
						
- 2 Ответы
- 2743 Просмотры
- 
								Последнее сообщение  Andrew-Feo																			
											
										
																		
 
 
- 
						
- 3 Ответы
- 5361 Просмотры
- 
								Последнее сообщение  Boris_R																			
											
										
																		
 
 





